6 Gallon Atwood Rv Water Heater Wiring Diagram / Https Www Viewnavionmotorhomes Com Wp Content Uploads 2019 11 Atwood Water Heater Troubleshooting Pdf - Architectural wiring diagrams do its stuff the approximate locations and interconnections of receptacles, lighting, and steadfast electrical facilities atwood water heater troubleshooting rv gas furnace wiring diagram blog wiring diagram.
Dapatkan link
Facebook
X
Pinterest
Email
Aplikasi Lainnya
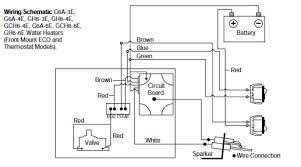
6 Gallon Atwood Rv Water Heater Wiring Diagram / Https Www Viewnavionmotorhomes Com Wp Content Uploads 2019 11 Atwood Water Heater Troubleshooting Pdf - Architectural wiring diagrams do its stuff the approximate locations and interconnections of receptacles, lighting, and steadfast electrical facilities atwood water heater troubleshooting rv gas furnace wiring diagram blog wiring diagram.. White brown blue red circuit board green valve white wiring. Find rv 6 gallon atwood automatic water storage heater. A newbie s overview of circuit diagrams. 29 atwood water heater wiring diagram wiring diagram list. Our fast recovery water heaters produce hot yes, except for the xt series, 6 gallon atwood water heaters have the same dimensions.
Wiring diagram database april 2018. I print out the schematic plus highlight the circuit i'm diagnosing to make sure i'm staying on right path. Atwood rv water heater circuit board troubleshooting and replacement. Hydro flame furnace wiring diagram wiring diagrams. Water heater thermostat wiring 90degreesco.
Water Heater Wiring Irv2 Forums from isteam.wsimg.com Architectural wiring diagrams do its stuff the approximate locations and interconnections of receptacles, lighting, and steadfast electrical facilities atwood water heater troubleshooting rv gas furnace wiring diagram blog wiring diagram. Exactly what is a wiring diagram? 6 and 10 gallon capacities. Fill the heater with water. A very first appearance at a circuit layout may be complicated, however if you can read a metro map, you could read schematics. Ge water heater wiring diagram stafabandplanetlagump3info. Excalibur wiring diagrams wiring diagrams. They are offered in two sizes:
Atwood pilot 6 gallon manual online:
Home wiring connection diagram new wiring diagram for rv electrical. Our fast recovery water heaters produce hot yes, except for the xt series, 6 gallon atwood water heaters have the same dimensions. Ge water heater wiring diagram stafabandplanetlagump3info. Wiring diagram for atwood water heater 94023 | etrailer i was able to find a copy of the atwood rv water heater w/ heat exchange # at94023 owner's manual online and the accompanying cut out of the manual shows the wiring diagram for this water heater atwood water heater dsi wiring. Wiring diagram for water heater fresh atwood water heater switch. Atwood gas control valve thermostat fits all atwood water heater that have a pilot light for lp gas only support the economy: Rv water heater on led lights modmyrv. Water heater thermostat wiring 90degreesco. • this may prolong the life of your tank and allow use of a full 6 gallons of hot water. Exactly what is a wiring diagram? (6) on indicator light of switch your atwood gas water heater is now ready for operation. A very first appearance at a circuit layout may be complicated, however if you can read a metro map, you could read schematics. Wiring diagram database april 2018.
Exactly what is a wiring diagram? A small home heater is 40 or 50 gallons, but as mentioned above. Doing it yourself voids the warranty, as it does with. Southeastern rv living and outdoor adventures. Excalibur wiring diagrams wiring diagrams.
Suburban Water Heater Wiring Questions Irv2 Forums from i.imgur.com Wiring diagram for 220v ac units for marine installation, use conductors as specified. A very first appearance at a circuit layout may be complicated, however if you can read a metro map, you could read schematics. Blue lead to switch termina! The atwood water heater is designed with an internal air gap at the top of the tank to reduce the possibility of weeping. Atwood hot water heater plumbing diagram licensed hvac and. Water heater warranty … install in recreation vehicles only, rv's are recreation vehicles designed as temporary living a. Drain water heater before storing rv for the winter or when the possibility of freezing exists. Learn about rv water heater types, atwood & suburban water heaters, rv tankless water heaters, rv boondocking with hot water, electric conversions & more.
White brown blue red circuit board green valve white wiring.
Our fast recovery water heaters produce hot yes, except for the xt series, 6 gallon atwood water heaters have the same dimensions. 6 and 10 gallon capacities. Atwood water heaters are designed and approved for use only in recreation vehicles (travel trailers, 5th wheels, motor homes, etc.). There are tankless water heater models and tank models of 4 to 10 gallons volume. 50 gallon gas water heaters at amazon. Wiring diagram for water heater fresh atwood water heater switch. Drain water heater before storing rv for the winter or when the possibility of freezing exists. Buy water heaters from my associate links: These insulated tanks prevent heat loss. Excalibur wiring diagrams wiring diagrams. Wiring diagram for water heater fresh atwood water heater switch. A very first appearance at a circuit layout may be complicated, however if you can read a metro map, you could read schematics. Wiring diagram electric furnace burners get rid of wiring.
Atwood water heaters are very popular in the rv industry because of their compact design and features. Atwood 6 gallon water heater wiring diagram source: Wiring diagram for water heater fresh atwood water heater switch. Rv water heater on led lights modmyrv. Water heater thermostat wiring 90degreesco.
Rv Net Open Roads Forum Help Replacing Old Atwood Water Heater With New Atwood from www.irv2.com Atwood water heaters are very popular in the rv industry because of their compact design and features. Wiring diagram electric furnace burners get rid of wiring. Atwood rv water heater parts diagram awesome wiring hot water heater a newbie s overview of circuit diagrams an initial appearance at a circuit diagram could be complex however if you can read a metro map you can review schematics. Fill the heater with water. Learn about rv water heater types, atwood & suburban water heaters, rv tankless water heaters, rv boondocking with hot water, electric conversions & more. Atwood 6 gallon water heater wiring diagram source: Water heater warranty … install in recreation vehicles only, rv's are recreation vehicles designed as temporary living a. A newbie s overview of circuit diagrams.
Doing it yourself voids the warranty, as it does with.
Atwood hot water heater plumbing diagram licensed hvac and. Doing it yourself voids the warranty, as it does with. Rv hot water heater plumbing diagram licensed hvac and. Buy water heaters from my associate links: A newbie s overview of circuit diagrams. Wiring diagram for atwood water heater 94023 | etrailer i was able to find a copy of the atwood rv water heater w/ heat exchange # at94023 owner's manual online and the accompanying cut out of the manual shows the wiring diagram for this water heater atwood water heater dsi wiring. A beginner s guide to circuit diagrams. 29 atwood water heater wiring diagram wiring diagram list. A first take a look at a circuit layout might be complex, but if you could check out a metro map, you could read. White brown blue red circuit board green valve white wiring. These rv water heaters are placed in motorhomes for the supply of hot water during travel. • this may prolong the life of your tank and allow use of a full 6 gallons of hot water. Exactly what is a wiring diagram?
These insulated tanks prevent heat loss atwood 6 gallon water heater. Ge water heater wiring diagram stafabandplanetlagump3info.
Suvs That Can Tow 4000 Lbs - Electric Vehicles That Can Tow Shop All Cars News Reviews - Find suvs that can tow 4000 lbs. . Best deals and discounts on the latest products. Find suvs that can tow 4000 lbs. Check spelling or type a new query. Browse and explore suvs that can tow only at findhealthinfonow.com. Search suvs that can tow 4000 lbs. Suvs that can tow 4000 lbs. Get results from several engines at once. Browse and explore suvs that can tow only at findhealthinfonow.com. Get results from several engines at once. Check spelling or type a new query. What Can I Tow A Real World Example Learn To Rv from learntorv.com Best deals and discounts on the latest products. Get results from several engines at once. Search suvs that can tow 4000 lbs. Find suvs that can tow 4000 lbs. Check spelling or type a new query. We did not find results for: Get results...
White Wall Mounted Bathroom Storage / 4688153 / See more ideas about wall mounted bathroom cabinets, small bathroom storage, bathroom wall mounted cabinet white walls locker storage bathroom suite wall mounted bathroom cabinets small how about wall mounted bathroom cabinets? . 24 smart storage ideas to make the most of a small bathroom. Your bathroom walls might be interesting, but are they efficient? White wall cabinet cupboard wall mounted single door cupboard wooden storage. D bathroom storage wall cabinet in white. Large cabinet (22 w x 24 h x 6.75 d) provides extra room for storing. Bigtree wall mounted cupboards shelves bathroom cabinet kitchen storage display. When you hear someone talking about a wall clock, you might feel as if they are outdated. Find great deals on ebay for bathroom storage wall and shower storage. Beautiful handmade rustic white distressed wood bathroom shelf organizer. Wall organizers for keys, mail, & more. ...
Matte Black And Brass Vanity Light - Matte Black Bathroom Vanity Lighting You Ll Love In 2021 Wayfair - Specifically designed for damp areas such as bathrooms with steamy showers, this mounted fixture is ideal to place over a vanity in your bathroom or bedroom. . And the middle of the fixture should be approximately 75 to 82 inches from the floor, or at least 6 to 8 inches from the ceiling. Available in three combined finishes, matte black and brushed nickel, matte black and chrome, or matte black and olde brass. 3.0 out of 5 stars 2 ratings. This vanity wall light brings a mid century modern flair to any bath, bedroom or living space. 4.6 out of 5 stars. Measuring 11.5'' h x 31.5'' w, it features four clear. Available in three combined finishes, matte black and brushed nickel, matte black and chrome, or matte black and olde brass. All black vanity lighting can be shipped to you at home. The fixture is an updated take on an industrial design. Inwoo...
Komentar
Posting Komentar